
400电话:400-0434-600 (免费电话)
电话:0434-3516211
0434-6110033
传真:0434-6111175
联系人:田经理
邮箱:sipinghengxin@163.com
地址:四平市铁东区经济开发区

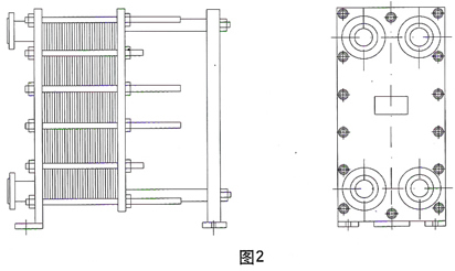
板式换热器 一、产品概述 板式换热器广泛应用于供热、洗浴、空调、冶金、液压、化工、制药、食品等领域。 板式换热器是目前各类换热器中换热效率较高的一种换热器,它占用空间小,安装拆卸方便。 板式换热器的结构分解如图1,产品外型如图2,主要部件是由换热板片、密封胶垫、夹紧板、导杆、夹紧螺栓组成。换热板片是由不锈钢板压制成型,它上面开有4个流道孔,中部压成人字形波纹,四周压有密封槽。密封槽内粘有密封胶垫。换热板片通过两导杆定位对齐,两夹紧板通过夹紧螺栓将各板片压紧,从而形成换热器内腔换热流道。相邻换热板片的人字形波纹方向安装时相反,接触点彼此相互支撑。人字形波纹和这些支撑点使流体介质在其内部流动时充分形成湍流,这是板式换热器具有很高换热效率的主要原因。另外换热板片厚度较薄,导热热阻较小,板片两侧的流体介质流动分布较为均衡,也使得传热较为充分。 板式换热器根据介质的温差和流量,可以装配成单流程、双流程、三流程以及多流程的形式。单流程是指介质在换热器内流过一个流程,双流程是指介质在换热器内折返流过两个过程,依次类推,各种流程的外形图和其流程示意图如图3。当采用多流程时,换热器的四个接口就不能在同一侧的夹紧板上,进出口要位于前后两个夹紧板上。
一般类似于水粘度较低的介质在换热流道内的平均流速为0.4m/s较为适合,流速过大,则阻力也大;流速过小,流道内流体流动不易形成湍流,易形成死区,换热效果不好。因此应根据介质流量的大小来选择流程数,使换热流道内的流速接近0.4m/s。 以获得好的换热效果。对于类似于液压油粘度较高的介质,流速应减小,0.3m/s较为合适。当流量较小时,可增加流程数来提高流速。例如当所确定的换热面积在表中所对应的流量比使用的流量大一倍时,采用双流程组装形式,换热流道内的流速就可增加一倍达到合适的流速。两个流道根据流量的不同可采用不相等的流程数。流程数增加,阻力也会相应增加。对于用蒸汽加热的换热器,蒸汽一侧一般应装成单流程的形式,以利于蒸汽的充分进入和冷凝水的顺利排出。 二.板式换热器的类型
BR型板式换热器从小到大分为BR0.05、BR0.1、BR0.12、BR0.2、BR0.24、BR0.28、BR0.35、BR0.4、BR0.5、BR0.6、BR0.7、BR0.8、BR0.85、BR0.9、BR1.0 BR1.1、BR1.6; BRB型板式换热器从小到大分为BRB0.35、BRB0.5、BRB0.65、BRB0.8、BRB0.85、BRB0.9、BRB1.0、BRB1.2。BRV型板式换热器从小到大分为BRV0.08、BRV0.13、BRV0.20、BRV0.28、BRV0.45、BRV0.60、BRV1.0、BRV1.1、BRV1.7。BR0.1是指单片换热板片的有效换热面积为0。1平方米,其它型号的意义相同。选择某种型号采用不同数量的换热板片就可组装成所需换热面积的换热器。
换热板片的材质一般为SUS304(0Cr19Ni9),特定可为SUS316L(00Cr17Ni14Mo2),SUS316L耐腐蚀性能比SUS304好.这类不锈钢材料一般不耐用含氯离子较高的介质。 三、板式换热器型号的表示方法
|